德州市住房和城乡建设局
德州市发展和改革委员会德州市自然资源局
德州市生态环境局
德州市行政审批服务局
德建通〔2021〕89号
关于进一步推进装配式建筑发展工作的通知
各县(市、区)住建局(建设局、建管部)、发改局、自然资源局、生态环境局、审批服务局(审批部),各有关单位:
为全面贯彻习近平总书记关于生态文明建设指示精神,落实《国务院办公厅关于大力发展装配式建筑的指导意见》(国办发〔2016〕71号)《山东人民政府办公厅关于贯彻国办发〔2016〕71号文件大力发展装配式建筑的实施意见》《德州市人民政府办公室关于大力推进装配式建筑发展的实施意见》(德政办发〔2017〕9号)等部署要求,加快推动我市装配式建筑绿色高质量可持续发展,现结合我市实际,就进一步推进全市装配式建筑发展工作通知如下:
一、进一步明确工作目标
(一)全市范围内城镇新建居住建筑、建筑面积5000平方米以上公共建筑全面应用预制楼梯、预制楼板;新建装配式建筑项目全面应用预制楼梯、预制楼板、非砌筑内隔墙板、预制空调板。从2022年起,进一步推广运用围护与保温一体化预制外墙板、预制阳台、集成厨房、集成卫生间等部品部件,逐步推广主结构竖向预制构件,全市范围内新建装配式建筑项目均应符合国家或省《装配式建筑评价标准》。
(二)全市新建公共租赁住房、棚户区改造安置住房、政府投资工程应全面按照装配式建筑标准进行建造。其他社会投资新建民用建筑,每个项目需按装配式建筑标准进行建造的面积比例,2021年至2025年,中心城区项目每年应分别达到28%、31%、34%、37%、40%以上;县(市)项目每年应分别达到20%、25%、30%、35%、40%以上。
(三)城镇建设用地范围内的教学用房、办公用房、学生宿舍、食堂等新建校舍项目,或者抗震设防烈度8度及以上地区的项目,应当采用钢结构建筑。新建公共建筑原则上采用钢结构,鼓励政府投资或主导的保障性住房、周转房等项目选用钢结构装配式方式建造。鼓励住宅项目优先使用钢结构装配式,综合外围护墙板配套使用,发挥钢结构体系技术优势。
二、进一步强化全过程监管
(一)把好项目用地关。各级要优先安排年度建设用地计划指标支持发展装配式建筑产业。按照相应年度发展目标,对装配式建筑项目供应土地时,应将发展装配式建筑的相关要求列入到建设用地规划条件和项目建设条件意见书中,纳入供地方案,并落实到土地使用合同中。(责任单位:市自然资源局、市住房城乡建设局)
(二)把好项目立项关。将装配式建筑要求落实到政府投资兴建房屋工程建设项目的项目建议书、项目可行性研究报告、初步设计中。对确因技术条件特殊、不适宜实施装配式建筑的建设项目,项目单位应在报发改部门前,征求项目所地在地住建部门意见。(责任单位:市发改委、市住房城乡建设局)
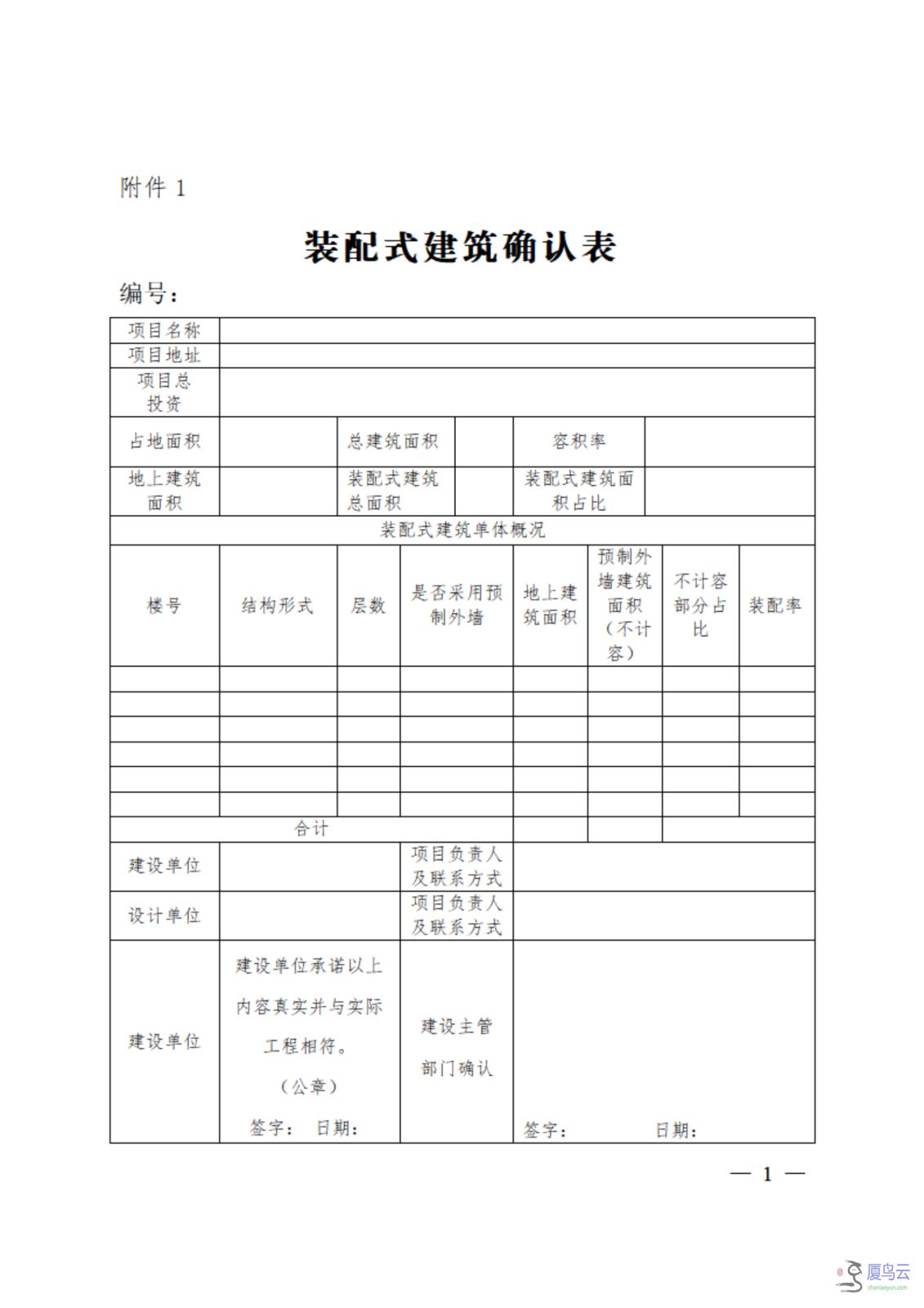
(三)把好项目审查关。项目施工图设计文件应包括装配建筑设计专篇,明确装配式建筑技术、装配式建筑面积和装配率等要求。施工图设计文件编制完成后,建设单位应当持设计方案和承诺书,向项目所在地住建部门申请装配式建筑预评价。在申请施工图审查时,需将《装配式建筑确认表》同时上传至“德州市建设工程数字化多图联审系统”,施工图审查受理部门要严把政策性审查关,凡未按照要求落实装配式建筑要求的,不予通过审核。施工图审查机构应当对装配式建筑项目装配率等要求进行审查,经审查合格的,出具施工图审查报告和审查合格书,并在施工图设计文件审查报告和审查合格书中注明;对装配式建筑项目装配率等要求审查不合格的,不予出具施工图设计文件审查报告和审查合格书。(责任单位:市住房城乡建设局、市审批服务局)
(四)把好项目质量关。严格落实建设单位质量安全首要责任,勘察、设计、施工、监理等单位质量安全主体责任,部件生产单位质量安全相关责任,严格执行装配式建筑工程质量、安全技术标准和验收规范,开展装配式建筑质量安全抽查和检测,保障工程质量安全。(责任单位:市住房城乡建设局)
三、进一步强化措施保障
(一)强化政策扶持
1.采用装配式外墙技术产品的建筑工程,其预制外墙建筑面积不超过规划总建筑面积3%的部分,不计入建筑容积率。施工图审查机构对施工图设计中预制外墙建筑面积予以核实。(责任单位:市自然资源局、市住房城乡建设局、市审批服务局)
2.根据建设主管部门确认的《装配式建筑确认表》,单体装配率达到50%以上(含50%)的装配式建筑住宅项目,施工进度达到正负零的,可申请办理《商品房预售许可证》,农民工工资保证金减半缴纳。对于钢结构装配式住宅项目,各拨付节点预售资金监管留存比例可下调10个百分点。装配式商品房楼栋必须首批开工、首批建设。(责任单位:市住房城乡建设局,市审批服务局)
3.在重污染天气Ⅱ级、Ⅲ级应急响应期间,装配式建筑项目可不予停工,但不得从事拆除、土方挖掘、石材切割、渣土运输、喷涂粉刷等涉气工序作业。(责任单位:市生态环境局)
4.对积极采用装配式建筑技术的开发、设计、生产、施工、监理等企业,住房城乡建设主管部门优先支持参加各类工程建设领域的评优评奖。(责任单位:市住房城乡建设局)
(二)加大监管力度。住房城乡建设主管部门依据相关法律、法规和绿色建筑标准,采取抽查、抽测等方式,对建筑质量责任主体和建筑实体质量进行监督检查。发现建设单位未按照装配式建筑标准验收的,将责令重新组织验收。对违反《山东省绿色建筑促进办法》规定的相关单位,依据相关规定予以处理。
(三)加强督导考核。住房城乡建设主管部门对装配式建筑、绿色建筑工作开展情况实行定期调度。将装配式建筑、绿色建筑工作纳入市对各县(市、区)“四减四增”和强度双控目标责任考核体系。
各县(市、区)要结合本地实际,制定相应的实施方案。本通知自11月1日起实行。
附件:1.《装配式建筑确认表》
2.《装配式建筑设计阶段预评价表》
3.《装配式建筑竣工验收后项目评价表》
德州市住房和城乡建设局 德州市发展和改革委员会
(此页无正文)
德州市自然资源局 德州市生态环境局
德州市行政审批服务局
2021年10月18日





德州市住房和城乡建设局办公室 2021年10月18日印发






山东合联图审交流